8-bit PN Sequence Generator

Introduction

A Pseudo Noise (PN) sequence is a binary sequence that appears random but is actually deterministic and can be reproduced if the initial seed is known. Such sequences are widely used in spread spectrum communication, cryptography, error detection, and digital testing because they possess statistical properties similar to random noise while still being predictable and repeatable. An 8-bit PN sequence is typically generated using a Linear Feedback Shift Register (LFSR), which shifts its contents on each clock pulse and inserts a feedback bit generated by XORing specific outputs of the register.

PN Sequence Generator Circuit

ADC Block Diagram

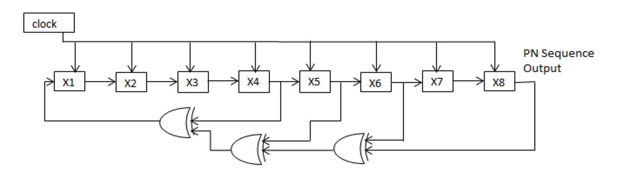
Fig. 1 – 8-bit PN Sequence Generator Circuit

Circuit Description

The PN sequence generator is built around an 8-bit shift register (74273) and XOR gates (74HC386). The outputs of selected flip-flops within the shift register, called taps, are connected to the XOR network to form the feedback path. This feedback bit is then reinserted into the first flip-flop at every clock cycle. As the shift register advances with each pulse, the sequence evolves in a deterministic but noise-like fashion. The overall design ensures a maximal-length sequence before repetition, which for an 8-bit LFSR is 28 – 1 = 255 cycles.

Block Diagram

ADC Block Diagram

Fig. 2 – Block diagram of 8-bit LFSR

Working Principle

The generator begins with initialization of the shift register using a non-zero seed value. On every clock pulse, all bits in the register shift one position to the right, while the new feedback bit enters from the leftmost stage. This feedback bit is computed by XORing specific tapped outputs of the register. For example, in an 8-bit LFSR, a common maximal-length configuration is given by the polynomial:

x8 + x6 + x5 + x4 + 1

This indicates that the outputs of flip-flops 8, 6, 5, and 4 are tapped, XORed together, and then fed back into the first stage. The resulting bit stream resembles a random sequence but is entirely deterministic.

Applications

PN sequence generators have wide-ranging applications in digital systems. In spread spectrum communication, they are used to spread signals over a wide bandwidth, improving security and resistance to interference. In cryptography, PN sequences serve as keys for data scrambling and secure communication. They are also used in noise simulation for testing circuits and in error detection and correction algorithms. Furthermore, PN sequences are important in digital system testing, acting as pseudo-random test patterns for hardware verification.

Role of 8051 Microcontroller

The 8051 microcontroller is the central element of this PN sequence generator setup. Instead of using separate hardware shift registers and XOR gates, the 8051 is programmed to emulate an 8-bit Linear Feedback Shift Register (LFSR) through assembly code. Its main responsibilities are:

  • Initialization: Loads a non-zero seed value (0000 0001) into register R2 to start the PN sequence.
  • Feedback Calculation: Computes feedback using the polynomial x8 + x6 + x5 + x4 + 1.
  • Shifting Operation: Rotates the register left through the carry (RLC A), inserting the feedback bit into the LSB while shifting existing bits.
  • Sequence Length Control: Uses a counter (R7,#255) to loop through 255 states, the maximal length of an 8-bit PN sequence.

Thus, the 8051 acts as both the generator and the controller of the PN sequence, replacing external hardware logic with programmable instructions.

Conclusion

The 8-bit PN sequence generator demonstrates the practical implementation of a Linear Feedback Shift Register using simple digital components. By combining an 8-bit shift register, XOR feedback logic, and microcontroller-based clocking, a deterministic but noise-like binary sequence is obtained. Such systems are fundamental in modern communication, cryptography, and testing, where randomness and reproducibility are both essential.