Programming a Binary Counter Using 8051 Microcontroller

Introduction

A binary counter is a digital device or program that increments a binary number by 1 on each clock pulse or event. One of the most popular microcontrollers used to implement binary counters is the 8051, an 8-bit microcontroller introduced by Intel in 1980. It is widely used in embedded systems because it integrates a CPU, memory, I/O ports, timers, and serial communication hardware on a single chip.

8051 Microcontroller Pin Diagram

The 8051 microcontroller is a 40-pin integrated circuit, where each pin serves a specific purpose. It is divided into four parallel I/O ports (Port 0, Port 1, Port 2, and Port 3), along with control signals, oscillator connections, reset pin, and power supply pins. Each port has 8 pins that can be used as input/output lines, with some pins having alternate functions for memory interfacing, timers, serial communication, and interrupts. This makes the 8051 highly versatile for embedded system design.

8051 pin diagram

Fig. 1 Pin Diagram of 8051 Microcontroller

Main Components of 8051

  • Port 0 (Pins 32–39): Works as a bidirectional I/O port and also acts as a multiplexed low-order address/data bus (A0–A7) during external memory access.
  • Port 1 (Pins 1–8): Dedicated 8-bit I/O port used only for input and output operations.
  • Port 2 (Pins 21–28): Functions as a general I/O port or provides the higher-order address bus (A8–A15) when accessing external memory.
  • Port 3 (Pins 10–17): Multi-functional port with alternate uses such as serial communication (RXD, TXD), external interrupts (INT0, INT1), timer inputs (T0, T1), and read/write control for external memory.
  • Control Pins: PSEN (Program Store Enable), ALE/PROG (Address Latch Enable), and EA/Vpp (External Access) manage external program memory access.
  • Oscillator Pins: XTAL1 and XTAL2 (Pins 18 and 19) connect an external crystal oscillator to provide the system clock.
  • Reset Pin: Pin 9 resets the microcontroller when given a high signal.
  • Power Supply: Vcc (Pin 40) provides +5V, and Vss (Pin 20) is connected to ground.

Working Principle

The 8051 microcontroller works by continuously executing instructions stored in program memory. The process begins when the Program Counter (PC) points to the next instruction address. The instruction is fetched from memory and decoded by the control unit. Depending on the instruction, the ALU, timers, I/O ports, or serial communication modules are activated. For example, Port pins may be used to send data to external devices, while timers and interrupts help in time-based operations. The oscillator connected to XTAL1 and XTAL2 generates the clock signal, ensuring that all processes are synchronized. This systematic cycle of fetching, decoding, executing, and storing results allows the 8051 to handle a wide variety of embedded applications efficiently.

Role of 8051 in Binary Counter

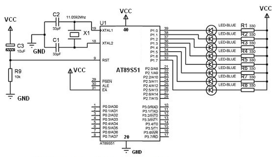
The 8051 microcontroller can be programmed to act as an 8-bit binary counter. A variable is incremented and its value is sent to an I/O port, usually Port 1, which is connected to output devices such as LEDs. The counter starts at 0000 0000 (0), counts up to 1111 1111 (255), and then rolls over back to zero. Delay routines are often inserted to slow down the counting so that the output can be observed by the human eye in real time.

8051 binary counter circuit

Fig. 2 Binary Counter Circuit

Components Required

To implement the binary counter, the essential components include:

  • 8051 microcontroller (AT89C51): Serves as the main controller.
  • LEDs or output display: To visualize the binary count.
  • Timer or delay routine: To regulate the speed of counting.
  • Clock/reset circuit: If resetting the counter is required.

Implementation Steps

  1. Configure Port 1 as an output port.
  2. Initialize a counter variable with value 0.
  3. Repeatedly increment the counter variable.
  4. Send its value to Port 1.
  5. Introduce a delay routine for visibility.
  6. After reaching 255, the counter automatically resets to 0 and continues counting indefinitely.

Applications

Binary counters using the 8051 microcontroller have a wide range of applications:

  • Household appliances (microwaves, washing machines).
  • Industrial automation (monitoring and controlling processes).
  • Robotics.
  • Digital clocks.
  • Event counters.
  • Frequency dividers.
  • LED chaser effects.
  • Automotive control systems.