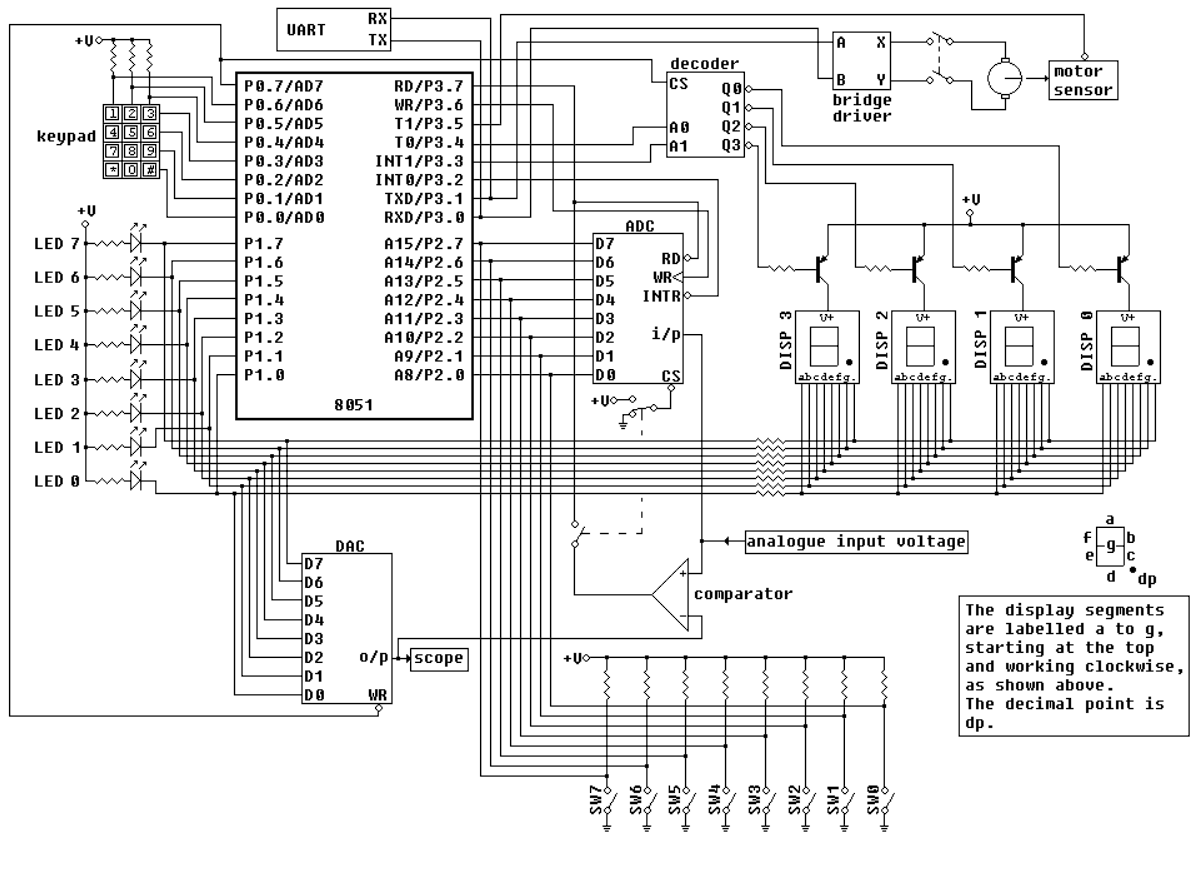
Digital-to-Analog Converter
Components used in this experiment: 8051 Microcontroller, DAC, Scope.
Flow of circuit: 8051 Microcontroller ⟶ DAC ⟶ Scope.
Figure : Logic Diagram
Click at any point on the generated graph to know the values